|
● 标配步进电机和标准DB9接口,配合控制器可实现自动控制;
● 采用进口高品质滚珠螺杆驱动,重复定位精度高、寿命长;
● 螺杆采用三轴承安装结构,轴端锁紧结构防止螺杆松动,适合高度往复使用;
● 精密线性轴承导轨(两端支撑,中间悬空筒称圆导轨),运动舒适,但承载较小,适合单轴 使用,垂直使用效果好;
● 配有手轮,方便调试;
● 两端装有零位和限位开关,方便准确定位和保护产品;
● 底座有标准孔距的螺纹孔和通孔,方便安装固定;
● 可换装伺服电机,实现高速或轴向重载;
● 可加装防尘罩,耐高温、耐火化、耐油污,有效保护导轨以及丝杠,延长使用寿命。
● 步进电机和滚珠螺杆通过进口高品质弹性联轴节连接,传动同步且噪音小;
| 型号 | GTS150 | GTS1100 | GTS1150 | GTS1200 | GTS1250 | GTS1300 |
|---|---|---|---|---|---|---|
| 行程 | 50mm | 100mm | 150mm | 200mm | 250mm | 300mm |
| 台面尺寸 | 90mm × 90mm | |||||
| 螺杆导程 | 4mm | |||||
| 分辨率 | 0.00125mm(8细分) | 0.0025mm(细分) | ||||
| 最大速度 | 20mm/s | 40mm/s | ||||
| 重复定位精度 | 0.005mm | |||||
| 轴向间隙 | 0.03mm | |||||
| 标配电机 | 步进电机 | |||||
| 步进电机 | 10μm | 15μm | 20μm | |||
| 中心负载 | 15kg | 10kg | 7kg | 5kg | 5kg | 3kg |
| 自重 | 2.75kg | 3kg | 3.3kg | 3.8kg | 4kg | 4.3kg |
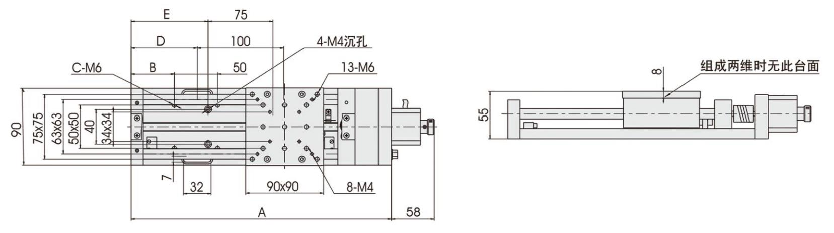
| 型号 | A(mm) | B(mm) | C(mm) | D(mm) | E(mm) |
|---|---|---|---|---|---|
| GTS150 | 251 | 46.5 | 6 | 46.5 | 59 |
| GTS1100 | 301 | 46.5 | 8 | 71.5 | 84 |
| GTS1150 | 351 | 46.5 | 10 | 96.5 | 109 |

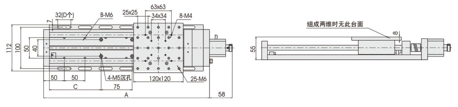
| 型号 | A(mm) | B(mm) | C(mm) | D(mm) |
|---|---|---|---|---|
| GTS1200 | 401 | 12 | 125 | 14 |
| GTS1250 | 451 | 16 | 139 | 14 |
| GTS1300 | 501 | 16 | 175 | 18 |
