发布时间:2025-04-24 09:07:28 人气:

谱量光电主营产品介绍
依托光电行业多年深耕的经验,谱量光电的产品线逐年丰富,已经包括探针台,二维材料转移平台,光学平台,波导耦合系统,OCT成像系统等重点主推产品,以及各类光源,运动控制产品,显微观察等其他类型的产品。
探针台系列
包括精密型基础测试探针台,高低温真空探针台,恒温加热探针台,原位高精度电动拉伸探针台等以及探针台相关附件。

精密型基础测试探针台

高低温真空探针台

电磁屏蔽箱

恒温加热探针台

原位高精度电动拉伸探针台

高精度电动探针座
二维材料转移平台系列
谱量光电现有三款二维材料转移平台设备:覆盖了手动和电动操作,单筒显微镜成像和金相显微镜成像等不同使用和成像方式。

精密型二维材料转移平台

高分辨电动二维材料转移平台

高分辨二维材料转移平台

运动控制手柄

运动控制上位机软件
光学平台
谱量光电—光学平台类产品目前分为三大系列:阻尼隔振光学平台,气浮隔振光学平台,以及三线摆式高性能气浮隔振光学平台,案例丰富,支持多种定制选项。

阻尼隔振光学平台

三线摆式高性能气浮隔振光学平台

气浮隔振光学平台

标准仪器架+遮光帘
耦合台
谱量光电 精密对准耦合系统主要用于为半导体芯片、硅波导器件等提供光电耦合封装平台。目前已经覆盖手动,半自动,全自动三种款式。

手动波导耦合系统

全自动波导耦合系统

半自动波导耦合系统



波导耦合系统软件
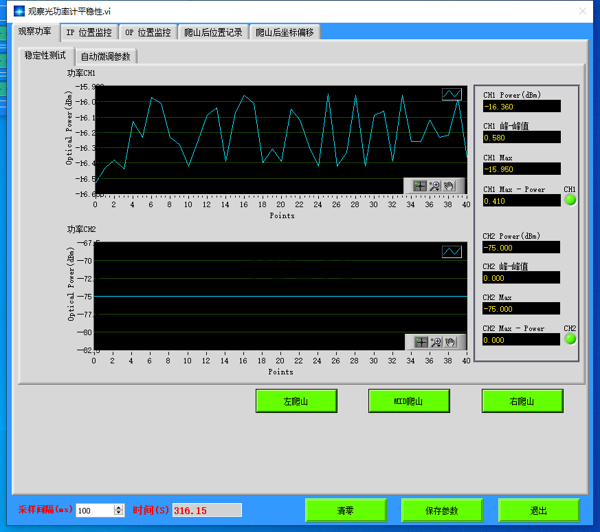
OCT成像系统
谱量光电 谱域SD-OCT成像系统由光源、迈克尔逊干涉仪、光谱仪、探测器、计算机与数据处理系统和扫描装置组成。

SD-OCT光谱仪

SLD光源

液晶面板的胶合层析结构成像

直径 100μm 玻璃小球的 enface 图像

迈克尔逊干涉仪

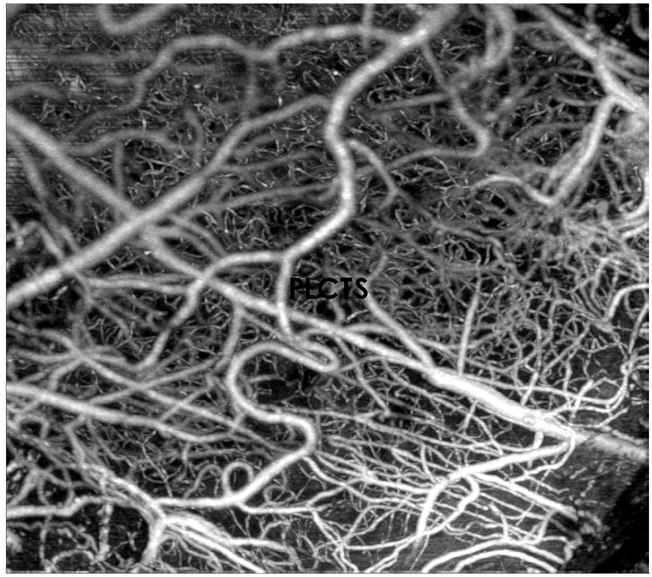
小鼠大脑血管造影成像

小鼠耳部血管造影成像
上述所有产品的资料可以在哪方便获取呢?
您可以在每个类目介绍文字的下方,点击进入各个产品分类的商城链接。
或者您也可以直接点击谱量商城首页:https://www.plctss.com,查看更多产品详情。
谱量光电——您身边的光电实验室
