产品中心

TH13-60 系列手动平移台

TM13-34 线性手动平移台TH13-40WTH13-40WLTH13-40WR技术优势:● 主体材质采用优质铝合金或不锈钢● 采用精密交叉滚珠导轨,精度优良

产品介绍

TH13-60 系列手动平移台

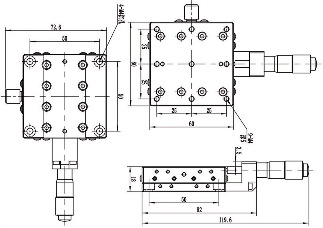
TH13-60W.png


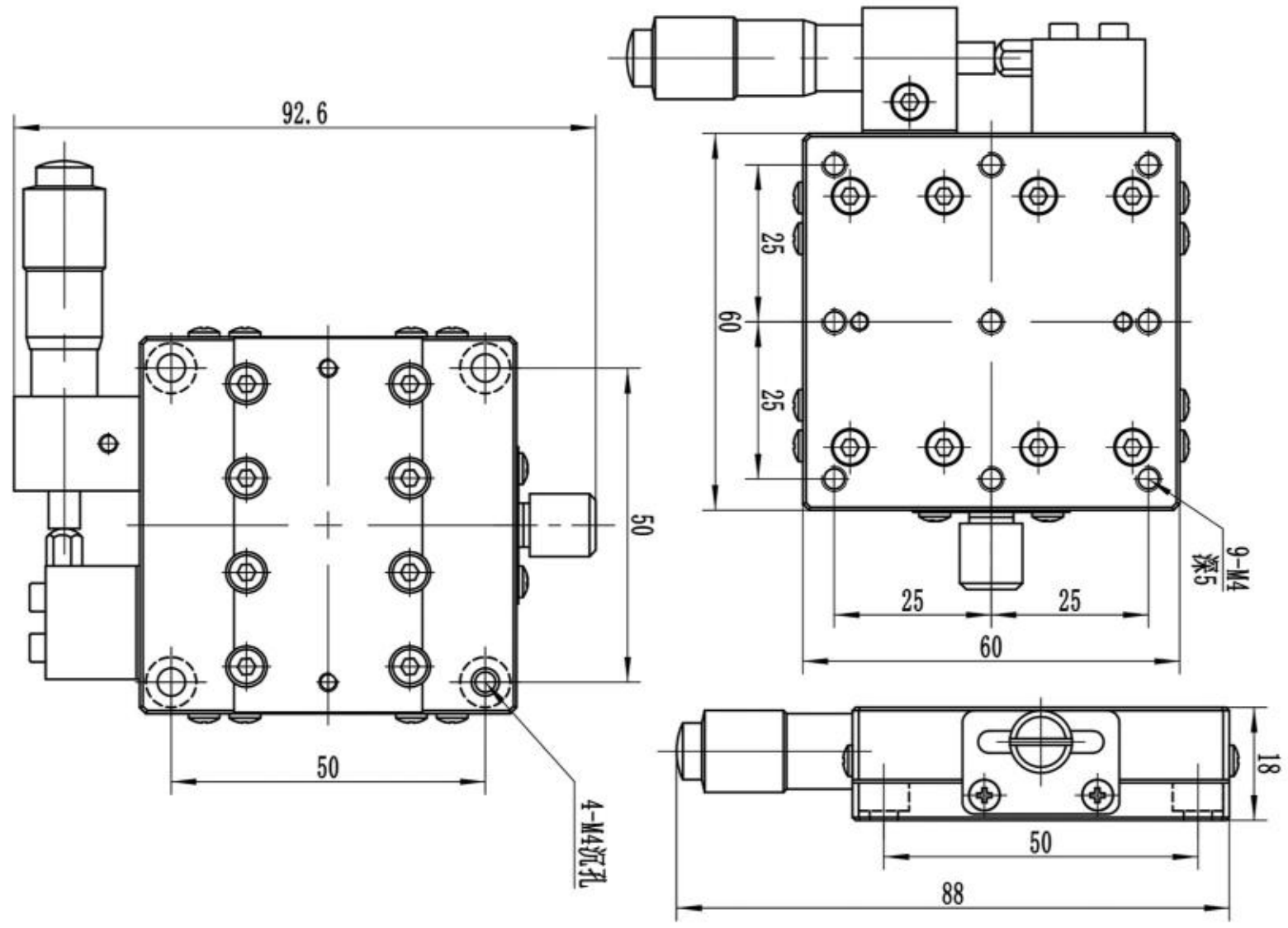
TH13-60WL.png

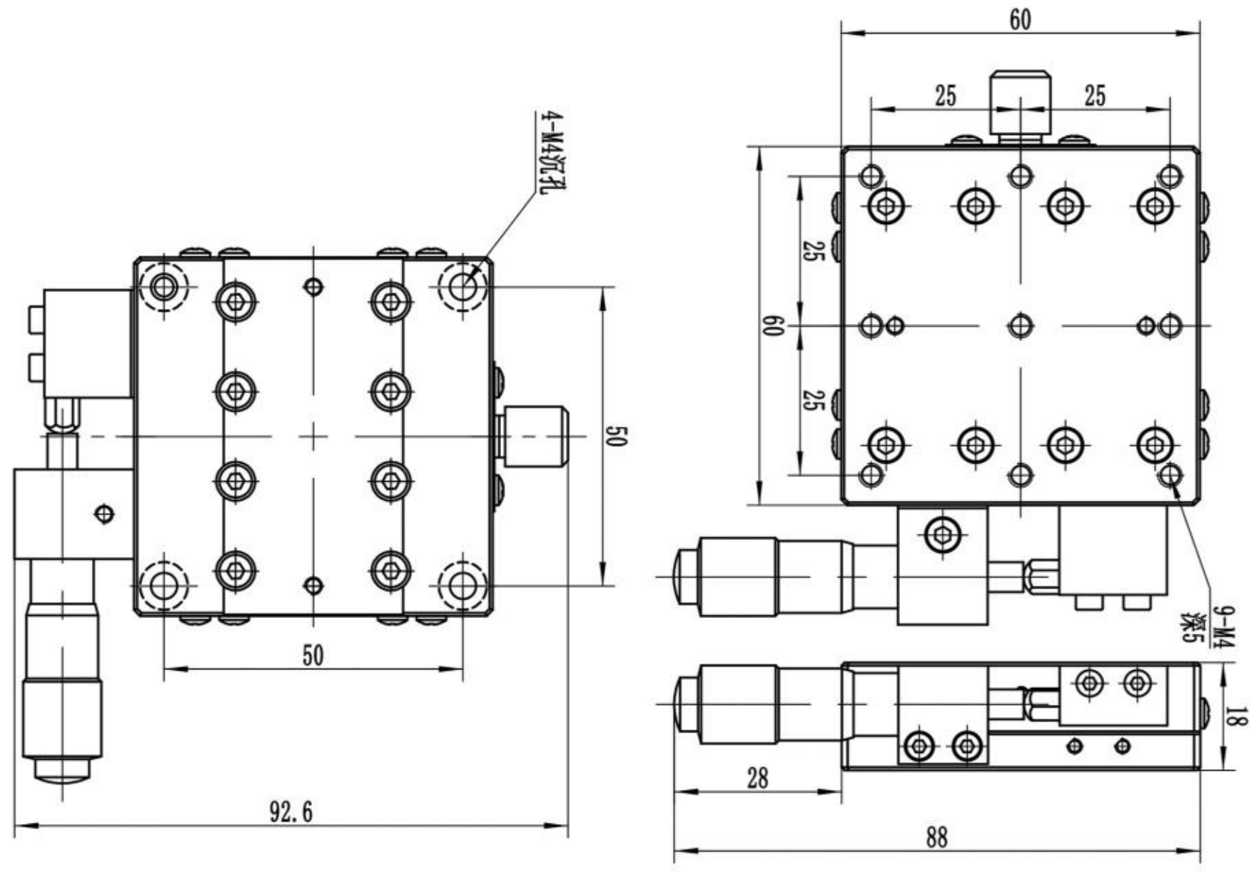
TH13-60WR.png

TH13-60W

TH13-60WLTH13-60WR

技术优势:

  • ● 主体材质采用优质铝合金或不锈钢

  • ● 采用精密交叉滚珠导轨,精度优良,承载较大,寿命长

  • ● 采用螺纹副或微分头驱动

  • ● 采用弹簧复位,消除轴向间隙

  • ● 台面和底座分布标准孔距的安装孔,方便安装和组合

  • ● 可与谱量其他系列位移产品组成多维度调节系统

  • ● 该系列整体灵敏度优于2μm

  • ● 可根据用户需求定制不同台面和行程

  • ● 适用于光学实验等对手动调节精度要求较高的场景

技术参数:

型号TH13-60WTH13-60WLTH13-60WR
主体材质铝合金,表面喷砂氧化黑
驱动方式微分头
驱动方向直驱侧驱(左手型)侧驱(右手型)
行程13mm
灵敏度0.003mm
精度0.002mm
台面尺寸60mm × 60mm
负载5kg
自重0.24kg

尺寸对照表:

TH13-60W.png

TH13-60WL.png

TH13-60WTH13-60WL

TH13-60WR.png


TH13-60WR


标签:

025-86550730