产品中心

RTS2 超高精密电动旋转台

RTS1 精密型电动旋转台技术优势:● 主体材质采用优质铝合金,表面喷砂氧化黑;● 标配为步进电机和标准DB9接口,配合控制器可实现自动化控制;● 采用剪刀形升

产品介绍

RTS2 超高精密电动旋转台


RTS2系列.png


技术优势:

  • ● 标配步进电机和标准DB9接口,配合控制器可实现自动控制;

  • ● 旋转轴系采用轴承钢材料精密加工而成,配合精度高,承载大,寿命长;

  • ● 内置进口超高精密圆光栅,提供超高闭环分辨率;

  • ● 巧妙的消除间隙设计,可以调整因长期使用造成的间隙;

  • ● 中心孔与旋转中心重合并有严格的直径公差,方便定位;

  • ● 步进电机和蜗杆通过进口高品质弹性联轴节连接,传动同步且噪音小;

  • ● 台面外圈是刻度圈,周围激光刻划标尺且可以相对台面转动,方便读数和初始定位;

  • ● 底座有标准孔距的螺纹孔和通孔,方便安装固定;

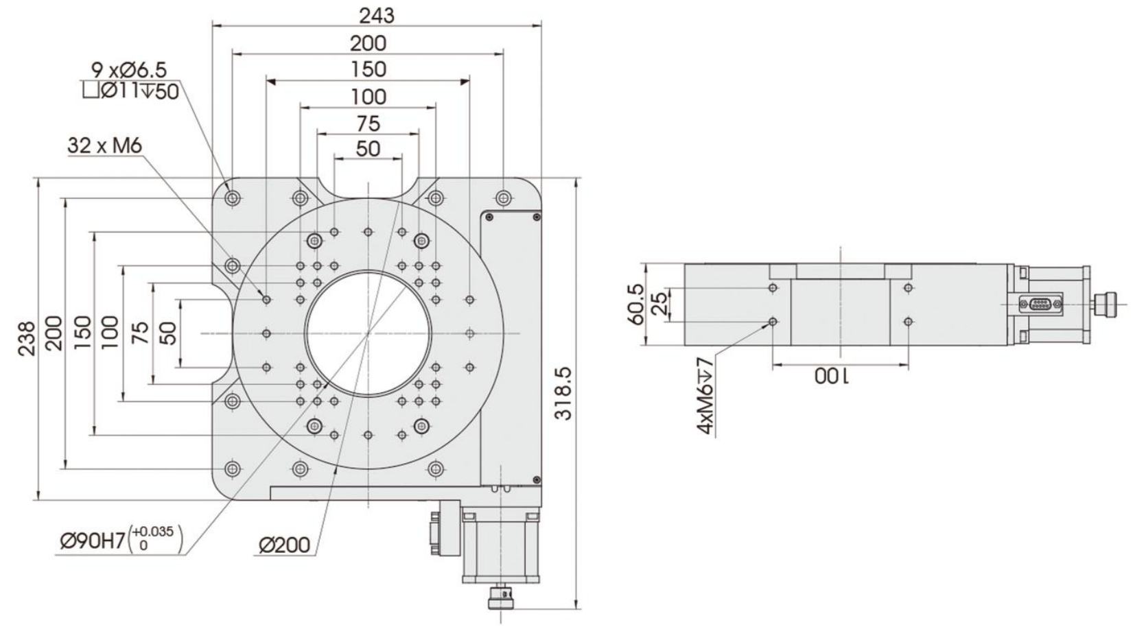
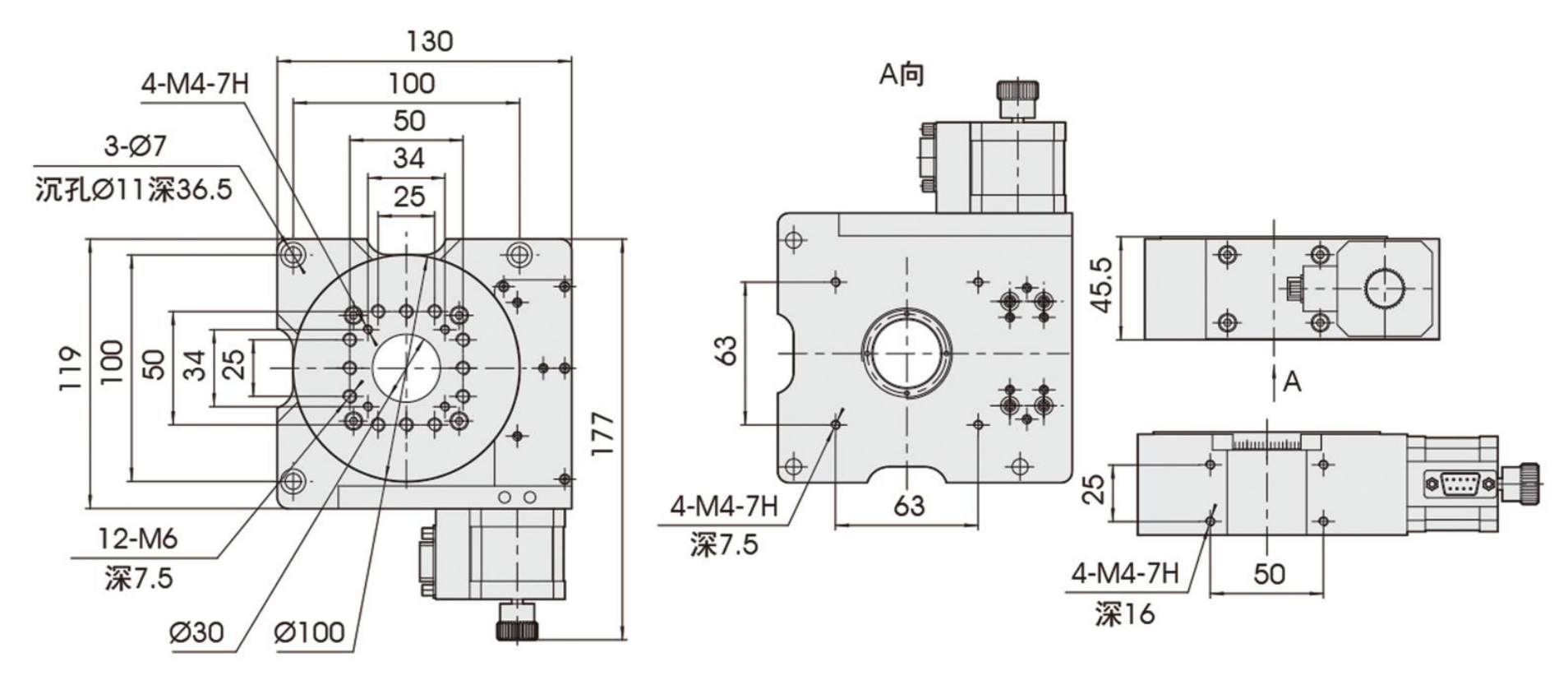
技术参数:

型号RTS2100RTS2200
台面直径φ100mmφ200mm
台面端跳0.04mm
传动比180:1
分辨率0.00125°(8 细分)
重复定位精度0.004°
标配电机42 步进电机 (1.8°)57 步进电机 (1.8°)
最大静扭矩0.4N·m1.2N·m
最大速度25°/s
中心通孔直径Φ30+0.025mmΦ90+0.035mm
标配零位
中心最大负载50kg60kg
自重2.1kg10kg

尺寸对照表:

RTS2-1.png

RTS2-2.png

RTS2100

RTS2200


标签:

025-86550730