产品中心

LTS3 精密型电动升降台

LTS3 精密型电动升降台技术优势:● 主体材质采用优质铝合金,表面喷砂氧化黑;● 标配为步进电机和标准DB9接口,配合控制器可实现自动化控制;● 高精度精研螺

产品介绍

LTS3 精密型电动升降台


LTS3 精密型电动升降台.png


技术优势:

  • ● 主体材质采用优质铝合金,表面喷砂氧化黑;

  • ● 标配为步进电机和标准DB9接口,配合控制器可实现自动化控制;

  • ● 高精度精研螺杆传动,具有断电自锁功能;

  • ● 采用转向机构,精密交叉滚柱导轨,电机垂直侧方放置,外形小巧,运行平稳;

  • ● 上下限位开关有效保护产品,光电开关作为零位,精度更高;

  • ● 底座有标准孔距的螺纹孔和通孔,方便安装;

  • ● 适用于精度要求高、负载不高且比较紧凑的精密实验、精密定位、精密加工等实验环境;

技术参数:

型号LTS315
行程15mm
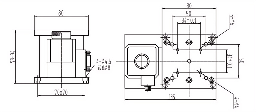
台面尺寸80mm × 80mm
螺杆导程1mm
分辨率0.00004mm
重复定位精度0.005mm
最大速度14mm/s
最大静扭矩0.4N·m
分辨率 (8 细分)0.001mm
中心最大负载7kg
自重1.5kg

尺寸对照表:

LTS3.png

LTS315


标签:

025-86550730