产品中心

MTS3系列电动双轴平移台

MTS3系列电动双轴平移台技术优势:● 标配步进电机和标准DB9接口,配合控制器可实现自动控制;● 超薄双轴整体式设计,螺杆中心驱动,结构紧凑,节省空间;● 精

产品介绍

MTS3系列电动双轴平移台


MTS3系列电动双轴平移台.png


技术优势:

  • ● 标配步进电机和标准DB9接口,配合控制器可实现自动控制;

  • ● 超薄双轴整体式设计,螺杆中心驱动,结构紧凑,节省空间;

  • ● 精研丝杠副驱动,分辨率高;

  • ● 采用交叉滚珠配合精磨V型导轨,运行平稳,精度高,承载大;

  • ● 配有带刻度手轮,方便调试;

  • ● 两端装有零位和限位开关,方便准确定位和保护产品;

  • ● 底座有标准孔距的螺纹孔和通孔,方便安装固定;

技术参数:

型号MTS350MTS3150
行程50mm × 50mm150mm × 150mm
台面尺寸110mm × 110mm200mm × 200mm
螺杆导程1mm4mm
重复定位精度0.003mm0.005mm
直线度0.02mm
平行度0.02mm
最大速度10mm/s25mm/s
分辨率0.001mm(8 细分)0.0025mm(8 细分)
中心负载30kg
自重2.8kg5.7kg

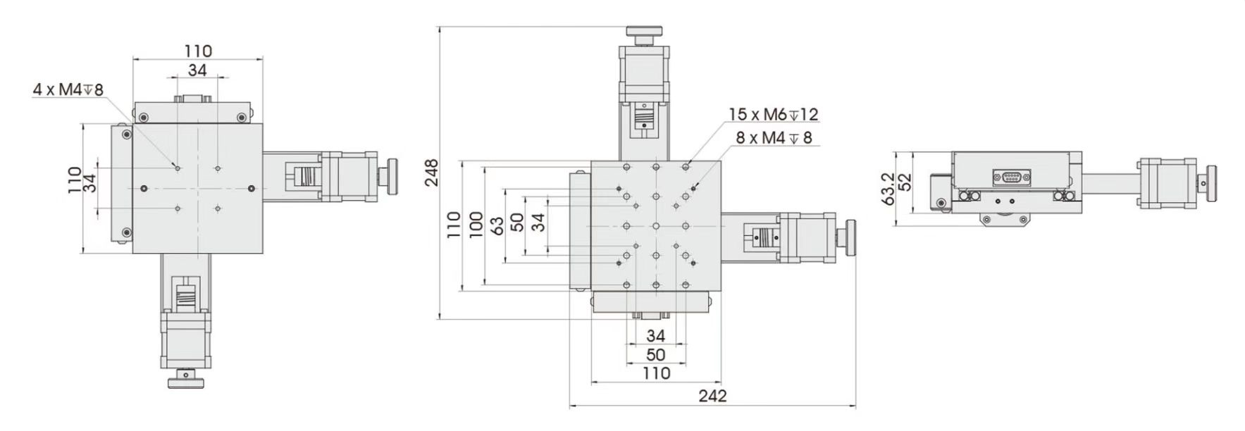
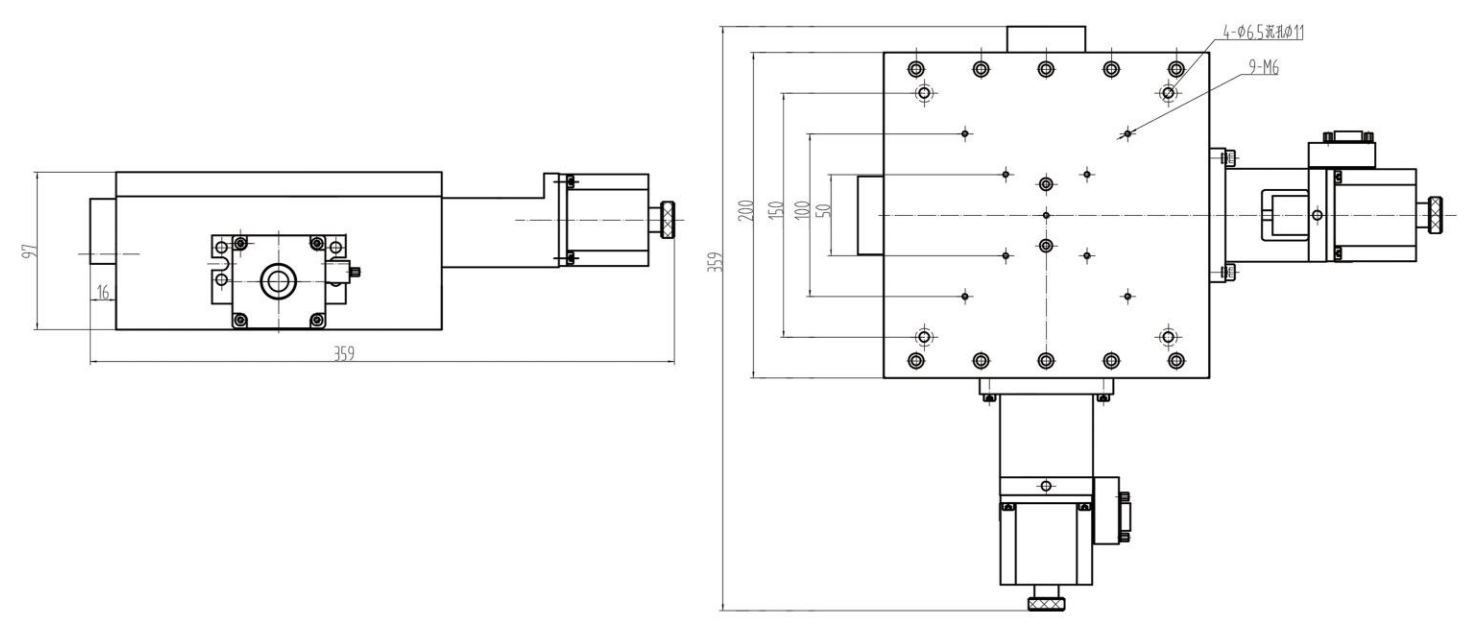
尺寸对照表:

MTS3-1.png

MTS350

MTS3-2.png

MTS3150


标签:

025-86550730