产品中心

MTS1系列电动双轴平移台

MTS1系列电动双轴平移台技术优势:● 标配步进电机和标准DB9接口,配合控制器可实现自动控制;● 双轴整体式设计,结构紧凑,并且两轴正交精度高;● 进口高品质

产品介绍

MTS1系列电动双轴平移台


MTS1系列电动双轴平移台.png


技术优势:

  • ● 标配步进电机和标准DB9接口,配合控制器可实现自动控制;

  • ● 双轴整体式设计,结构紧凑,并且两轴正交精度高;

  • ● 进口高品质滚珠螺杆驱动,重复定位精度高,驱动力大;

  • ● 采用交叉滚珠配合精磨V型导轨,运行平稳,精度高,承载大;

  • ● 中心方孔设计,适合通光,还可装夹载物玻璃;

  • ● 两端装有零位和限位开关,方便准确定位和保护产品;

  • ● 底座有标准孔距的螺纹孔和通孔,方便安装固定;

技术参数:

型号MTS160MTS1100MTS1200
行程60mm × 60mm100mm × 100mm200mm × 300mm
螺杆导程4mm
分辨率0.0025mm(8 细分)
0.00125mm(8 细分)
重复定位精度0.005mm
最大速度15mm/s
标配电机步进电机
中心负载10kg10kg/20kg20kg
自重5.8kg13kg22.5kg

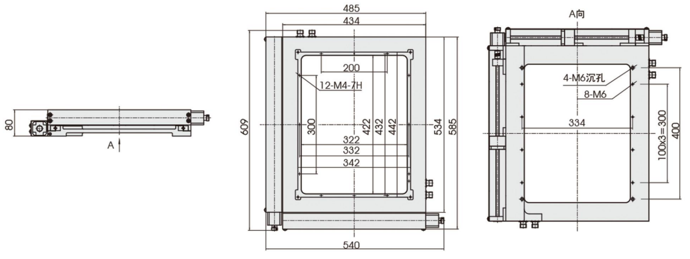
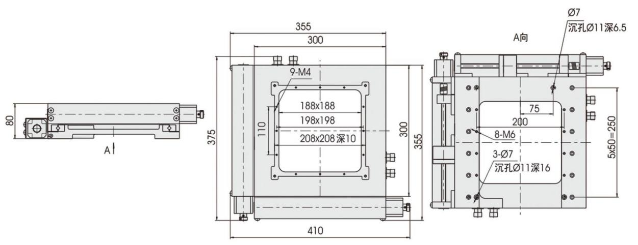
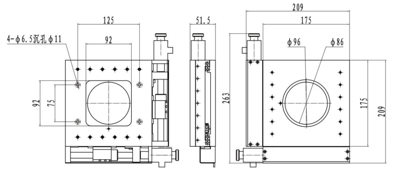
尺寸对照表:

MTS1-1.png

MTS160

MTS1-2.png

MTS1100

MTS1-3.png


MTS1200


标签:

025-86550730