谱量光电(PLCTS)的高通量设计方案使得 OCT 系统在宽带宽波段范围延展了视野深度,OGS 系列 SD-OCT 高速光谱仪是我们最新推出的一款高通量、高分辨率、高灵敏度光谱测试系统,核心采用行业领先的 VPH光栅,非球面元件设计,能够有效减少像差,提高成像质量,配置可见至近红外高速相机,行频 100-200KHz 可选,波长覆盖 400nm-1700nm,广泛应用于生物组织研究、材料检测、化学分析、工业检测等领域。此外针对集成用户我们也提供 OEM 方案,为 您呈现一款定制化、小型化的好用的 OCT 光谱仪产品。
光学相干层析成像(Optical Coherence Tomography,OCT)是一种强大的组织和材料无损 3D 成像技术,主要有非侵入性、高分辨率、实时成像、深度分辨能力等优点。从成像类型可分为时域 OCT(TD-OCT)、频域 OCT(FD-OCT), 其中频域 OCT 又可分为谱域 OCT(SD-OCT)和扫频 OCT(SS-OCT),由于其独特的成像优势,在医学诊断、生物科学研究以及工业检测等领域有着广泛的应用。
谱量光电(PLCTS)的高通量设计方案使得 OCT 系统在宽带宽波段范围延展了视野深度,OGS 系列 SD-OCT 高速光谱仪是我们最新推出的一款高通量、高分辨率、高灵敏度光谱测试系统,核心采用行业领先的 VPH光栅,非球面元件设计,能够有效减少像差,提高成像质量,配置可见至近红外高速相机,行频 100-200KHz 可选,波长覆盖 400nm-1700nm,广泛应用于生物组织研究、材料检测、化学分析、工业检测等领域。此外针对集成用户我们也提供 OEM 方案,为 您呈现一款定制化、小型化的好用的 OCT 光谱仪产品。
得益于我司创始团队在 OCT 领域的多年研发制造经验,光谱仪通过专有的高通量设计,减少了传统成像深度和轴向分辨率之间的不可兼顾的困扰,从而最大化深层结构和大散射角特征的数据质量。对于基础研究、药物测试以及眼科、皮肤科和血管造影成像等领域都是极佳选择。
谱量光电可根据客户实际应用需求,提供定制化OCT系统方案,具体信息可联系详询。
注:本产品支持试用或提供必要技术支持!
|
|
● VPH 光栅,低偏振依赖,高衍射效率
● 高成像分辨率,提供亚微米级空间分辨率
● 并行数据采集,超快扫描速度
● 非侵入性,快速实时成像
● 深度分辨能力
● 小型化设计兼容性强
● 我司专利算法及软件套件,简化数采和分析
● 集成式软硬件系统使操作更加简便,适合各种应用场景
● 眼科成像:广泛应用于视网膜、角膜、黄斑等的高分辨率成像
● 皮肤成像:适用于皮肤组织结构的详细成像分析
● 工业检测:对材料内部微结构的无损检测,如半导体、光纤等
● 医学研究:用于生物组织研究、病理检测和细胞结构成像等领域
● 生物组织研究:如细胞结构、组织工程、药物输送
● 基础研究:如光物作用、表界面化学分析

| ||
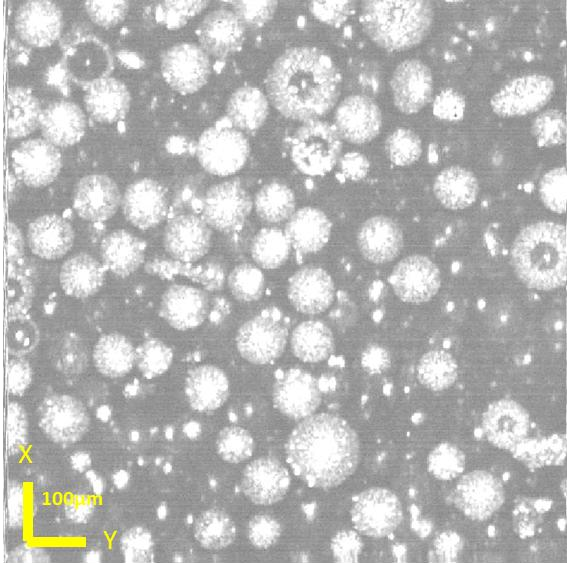
| ↑直径 100μm 玻璃小球的 enface 图像 | ↑流控管道的水平面和截切面成像图 | ↑液晶面板的胶合层析结构成像图 |
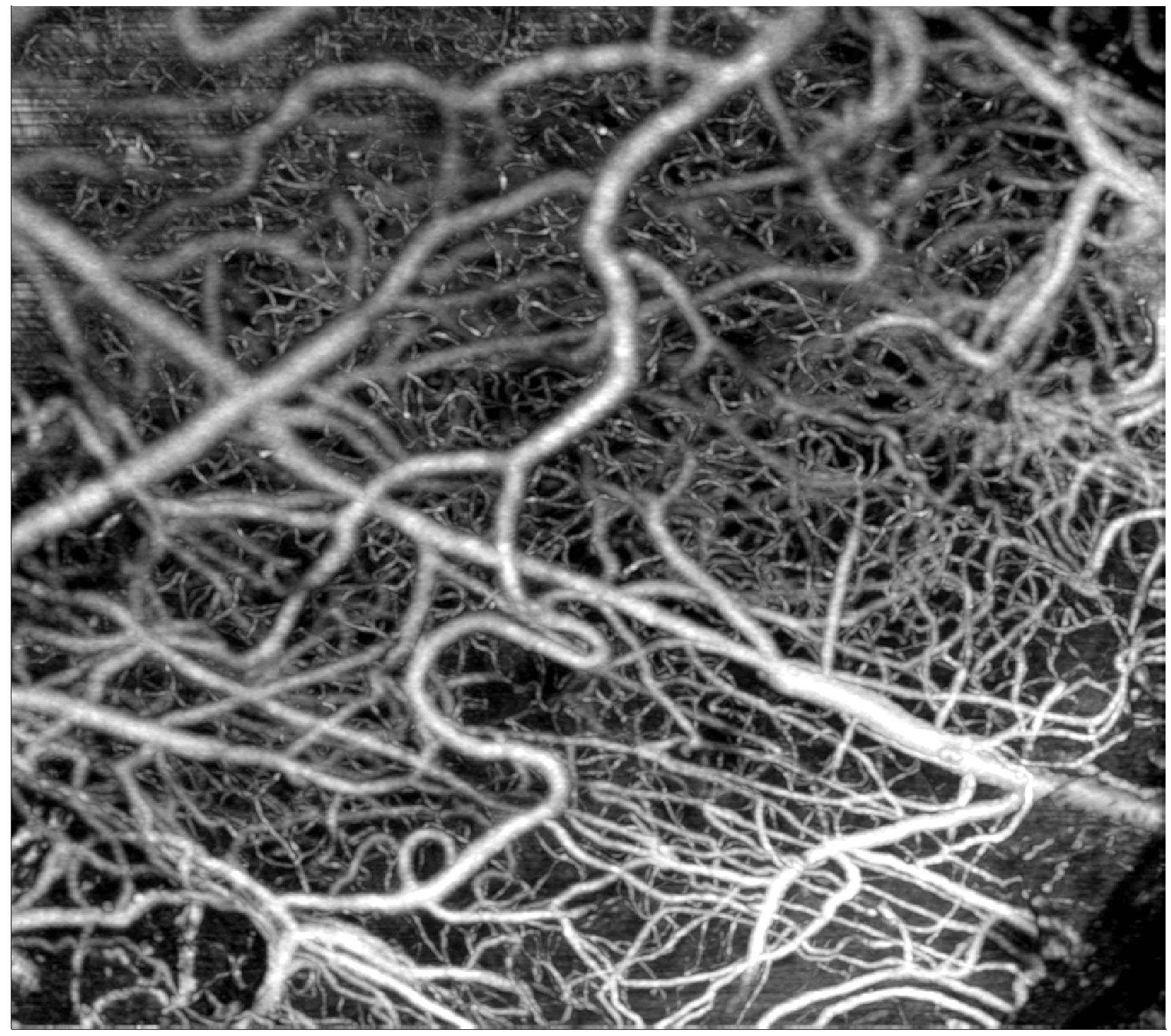
| ↑小鼠鼠耳的截切面图 | ↑小鼠大脑血管造影成像1 | ↑小鼠大脑血管造影成像2 |
↑小鼠耳部的血管造影图像1
↑小鼠耳部的血管造影图像2
谱量光电可根据客户实际应用需求,提供定制化OCT系统方案,具体信息可联系详询。
注:本产品支持试用或提供必要技术支持!
还可点击 谱量商城:SD谱域OCT光谱仪,查看更多产品信息